Mariano Tomatis, 22 marzo 2013
Il computer del Cinquecento e il libro che uccide
Ricostruire oggi un computer di legno e vetro usato nel Cinquecento? Un gioco divertente e sul filo del brivido, specie se il suo cuore matematico potrebbe condurre alla morte!
Tutto cominciò con il “Libro di Soyga” (scopri qui la sua storia), un trattato di magia nera del XVI secolo che comprendeva 36 tavole ricoperte da centinaia di lettere, meticolosamente incasellate una accanto all’altra. La sua struttura è stata avvolta nel mistero per secoli, e – secondo la leggenda – la morte avrebbe colto chi fosse riuscito a svelarla. L’alchimista John Dee (1527-1608) invocò addirittura l’arcangelo Uriel per risolvere l’enigma, ma invano: il 10 marzo 1582 l’entità angelica negò di conoscerne i segreti, e rimandò Dee all’arcangelo Michele. Che però non si presentò all’evocazione.
Quattro secoli più tardi, il matematico James A. Reeds sfidò la maledizione, scoprendo e pubblicando (1) nel 2006 la “ricetta” per compilare tutte le 36 tavole del “Libro di Soyga”.
Come compilare il “Libro di Soyga”
Per creare da sé una pagina del trattato, disegnate una griglia quadrata, composta da 36 righe e 36 colonne. A partire dalla casella in alto a sinistra, scrivete in verticale una qualsiasi “parola magica”, seguita da se stessa capovolta, poi di nuovo dritta, capovolta, ecc. fino ad aver completato la colonna. Ecco come riempirla a partire da ABRACADABRA:
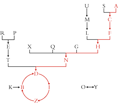
Compilare la prima riga è facile. Reeds ha scoperto che ogni lettera è seguita da un’altra secondo questa regola:
Partiamo dalla A che è nella casella in alto a sinistra. Sulla regola di Reeds si vede il percorso obbligato che dalla A conduce alla C, poi alla F, la H, la N e la D, per poi entrare nel circolo chiuso I, Z, B e di nuovo D.
Sulla prima riga si registra, dunque, il percorso ottenuto:
Ora la questione si fa più difficile. Ognuna delle altre caselle va riempita sulla base delle due lettere che si trovano sopra e a sinistra di ciascuna, secondo una regola matematica che Reeds riassume in questa equazione:
Abbastanza complesso, no?! Secondo l’equazione, la lettera incognita X si ottiene partendo dalla lettera a nord (N) e spostandosi nell’alfabeto di un numero di posizioni determinato dalla lettera a ovest (W). Ogni lettera corrisponde a uno spostamento diverso, come indicato nella tabellina sopra. (Spiego qui la procedura nei dettagli.)
Quanto deve avere lavorato il creatore delle tavole, che ha dovuto eseguire il calcolo per più di 45 mila volte?
Un moderno computer può riempire la tavola che parte dalla parola ABRACADABRA in una frazione di secondo (verificalo cliccando qui), ma un lavoro manuale avrebbe richiesto mesi di lavoro.
E se nel Cinquecento avessero usato un computer?
E se nel Cinquecento avessero usato un computer per compilare il libro? Che aspetto avrebbe avuto?
A partire da questa domanda mi sono ispirato alle ruote di Raimondo Lullo (1233—1316), già note all’epoca, per creare un “compilatore di tavole di Soyga” composto da due ruote sovrapposte, che ho fissato a una base di legno:
Entrambe le ruote riportano le 23 lettere dell’alfabeto che compaiono sulle tavole del “Libro di Soyga”. La ruota di destra riporta, al centro, altrettante frecce che conducono da una lettera all’altra. Una seconda ruota è stampata su vetro e fissata al centro della prima. Quando viene fatta girare, le frecce sullo sfondo restano fisse, e le sue lettere presentano – in trasparenza – diversi collegamenti tra loro a ogni diversa rotazione.
Ecco l’ipotetico computer cinquecentesco:
Uno strumento del genere consentirebbe a chiunque di compilare una tavola del “Libro di Soyga” ignorando le complesse regole di Reeds, perché le incorpora tutte in un oggetto dall’uso semplice e immediato. (2)
Per compilare la prima riga è sufficiente disporre le due ruote in modo che tutte le lettere uguali siano allineate: le frecce così ottenute riproducono il grafico di sopra e consentono di vedere facilmente il percorso da seguire – la A che conduce alla C, poi alla F, ecc.
Dalla seconda riga in avanti si applica una regola diversa, altrettanto semplice: per scoprire quale lettera scrivere in una casella, le ruote devono essere girate finché la lettera a sinistra (sulla corona esterna) e la lettera superiore (sulla corona interna) sono allineate; a questo punto, la freccia (rossa nel diagramma) che parte dalla lettera superiore conduce alla lettera da scrivere – in questo caso alla E:
Tale procedura va ripetuta per tutta la tavola, casella per casella, e consente di ricostruire fedelmente tutto il “Libro di Soyga”.
Per comprenderne meglio l’uso clicca qui: la tavola si basa sulla parola magica ABRACADABRA, e cliccando su qualsiasi lettera (dalla seconda colonna in avanti) si può vedere l’interazione tra le due ruote e – indicata con due pallini rossi – la freccia che collega le lettere coinvolte nella codifica:
Note
1. Jim Reeds, “John Dee and the Magic Tables in the Book of Soyga” in Stephen Clucas (ed.), John Dee: Interdisciplinary Studies in English Renaissance Thought, International Archives of the History of Ideas, No. 193. Dordrecht, Netherlands: Springer, 2006, pp. 177-204. L’articolo può essere scaricato da qui.
2. Sottolineo che, a oggi, non esiste descrizione di un computer del genere, da me concepito in via del tutto ipotetica sfruttando esclusivamente tecnologie e conoscenze matematiche note all’epoca.
